Теплообменник Сатурн (Ду 50) TX-14
Цена 133915 ₽
!
Цены на оборудование , запасные части и услуги носят информационный характер и Не являются публичной офертой. Актуальные цены уточняйте в отделе продаж.
Характеристики
Доставка
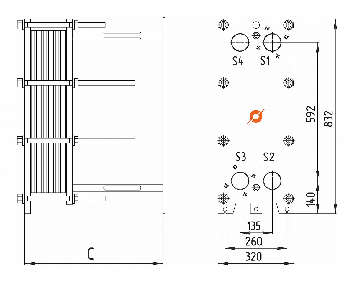
Каждый пластинчатый теплообменник считается индивидуально, по параметрам заказчика. Ниже приводится таблица с конкретными характеристиками пластинчатого теплообменника для понимания возможных диапазонов его применения. Для точного расчета теплообменника на ваши параметры присылайте заявку.
|
Материал пластин РПТО
|
AISI 316L |
|
Материал уплотнений
|
EPDM |
|
Материал
|
Углеродистая сталь (стандарт) |
|
Расчетная максимальная температура, °С
|
150 |
|
Назначение
|
КЭ, Конденсация паров и газов |
|
Конструктив
|
2х контурный |
|
Схема потоков
|
Одноходовой |
|
Среда по греющей стороне
|
Вода |
|
Среда по нагреваемой стороне
|
Вода |
|
Расход по греющей стороне
|
11,2 тч |
|
Расход по нагреваемой стороне
|
4,67 тч |
|
Температура на входе по греющей стороне, °С
|
95 |
|
Температура на входе по нагреваемой стороне, °С
|
5 |
|
Температура на выходе по греющей стороне, °С
|
70 |
|
Температура на выходе по нагреваемой стороне, °С
|
65 |
|
Потери давления по греющей стороне
|
29,73 кПа |
|
Потери давления по нагреваемой стороне
|
5,76 кПа |
|
Тепловая нагрузка
|
280000 ккалч |
|
Запас площади поверхности, %
|
16,1 |
|
Коэф. теплопередачи
|
4017 |
|
Эффективная площадь, м2
|
2 |
|
Число пластин
|
50 |
|
Соединения
|
Резьбовое |
|
Покрытие портов
|
- |
|
Ответные фланцы
|
- |
|
Расчетное давление
|
10 |
|
Пробное давление, кг/с/см2
|
14 |
|
Масса нетто, кг
|
38,8 |
|
Внутренний объем, л
|
4,6 |

Поставляем по всей России
01
Осуществляем доставку с помощью транспортных компаний и курьерских служб.
02
Для доставки по России преимущественно используем транспортную компанию «Деловые Линии». Но можем отправить и другой компанией, по дополнительному согласованию.
03
Мы проинформируем о готовности заказа к отгрузке, Вы можете прислать свою транспортную компанию на наш склад, либо наш логист поможет осуществить доставку в место назначения груза.
>10 лет
Безупречной работы
>10 000
Довольных клиентов
>112
Городов поставки
>500 000 ед.
Оборудования продано
Нам доверяют









Сертификаты и отзывы
Лучшие условия
Под ваш индивидуальный запрос







